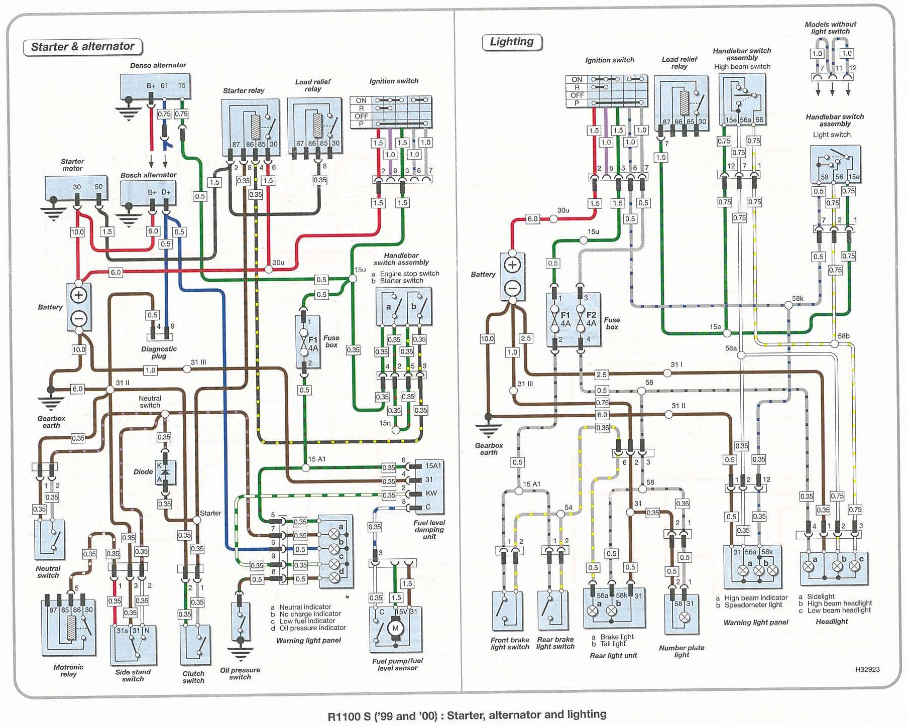
BMW R1100S Wiring Diagrams




Vehicles